Introducción
En aplicaciones industriales exigentes, cada detalle cuenta. El tornillo ISO 7991 responde a una necesidad muy concreta: asegurar una fijación fiable sin añadir componentes adicionales.
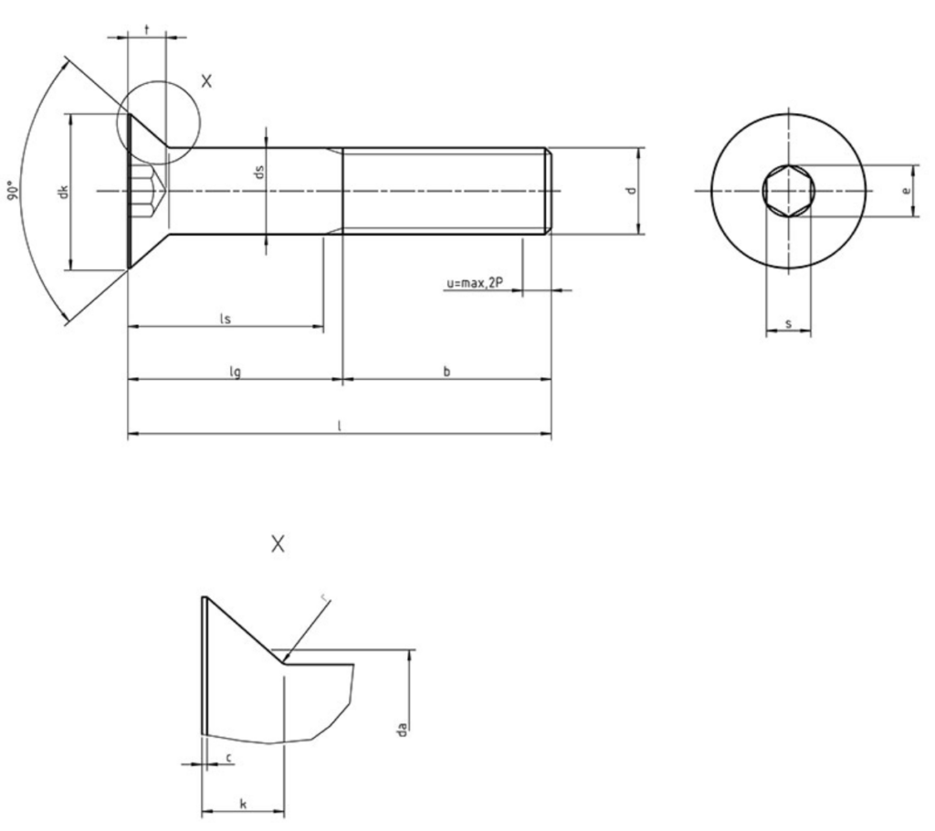
Hablamos de un tornillo allen de cabeza cilíndrica con arandela incorporada, pensado para mejorar el reparto de carga, reducir errores de montaje y aumentar la repetitividad en procesos industriales.
¿Qué es un tornillo ISO 7991?
La norma ISO 7991 define tornillos de:
- Cabeza cilíndrica
- Hexágono interior
- Arandela solidaria a la cabeza
La arandela no es un elemento añadido: forma parte del propio tornillo, garantizando que siempre esté presente y correctamente posicionada.
Resultado: montajes más rápidos, seguros y controlados.
¿Por qué usar ISO 7991 en lugar de ISO 912 / ISO 4762?
La diferencia es clara y práctica:
| Característica | ISO 7991 | ISO 912 / ISO 4762 |
|---|---|---|
| Arandela | Integrada | No |
| Reparto de carga | Mejor | Estándar |
| Riesgo de error | Menor | Mayor |
| Tiempo de montaje | Más rápido | Convencional |
| Aplicación | Industria exigente | Uso general |
👉 ISO 7991 reduce variabilidad en montaje, algo crítico en series medias y largas.
Ventajas técnicas del tornillo ISO 7991
Sin marketing, solo realidad técnica:
- Distribuye mejor la presión sobre la superficie
- Reduce marcas en piezas mecanizadas
- Evita olvidos de arandelas en montaje
- Mejora la repetibilidad del apriete
- Ideal para procesos estandarizados
Por eso es habitual en entornos donde el error no es una opción.
Materiales y clases de resistencia habituales
El ISO 7991 se fabrica en los mismos materiales industriales que otros tornillos allen:
Materiales
- Acero al carbono
- Acero aleado
- Acero inoxidable A2 / A4
Clases de resistencia
- 8.8
- 10.9
- 12.9 (muy común en maquinaria y utillajes)
Tratamientos habituales: pavonado negro, zincado, galvanizado.
Aplicaciones industriales y de mecanizado
El tornillo ISO 7991 se utiliza especialmente en:
- Maquinaria industrial
- Utillajes y dispositivos de sujeción
- Moldes y matrices
- Automoción
- Montajes repetitivos en producción
Cuando una arandela es necesaria sí o sí, este tornillo elimina improvisaciones.
Relación con otros tornillos allen ISO




Dentro de una lógica de estandarización:
- ISO 912 / DIN 912 → tornillo allen estándar
- ISO 4762 → referencia más común actual
- ISO 7991 → versión optimizada con arandela integrada
👉 Puedes ampliar información en nuestro artículo sobre
ISO 912 vs DIN 912 – Tornillos allen de cabeza cilíndrica
Conclusión
Dicho claro:
- ISO 7991 no sustituye a ISO 912
- Lo complementa donde el proceso lo exige
- Reduce errores humanos
- Mejora calidad y repetibilidad
Si tu objetivo es trabajar con criterios industriales serios, ISO 7991 tiene todo el sentido.
En AREM-CNC apostamos por soluciones que funcionan en taller, no solo en catálogo.


Deja una respuesta