El tornillo ISO 7380 es un tornillo de cabeza botón con hexágono interior, diseñado para fijaciones donde se requiere un acabado visual limpio y una cabeza de perfil bajo. A diferencia de otros tornillos Allen, este modelo ofrece una geometría más redondeada y discreta, lo que lo convierte en una solución habitual en carcasas, estructuras ligeras, maquinaria compacta y componentes donde el diseño estético o el espacio disponible influyen en la elección de la tornillería.
Diseño y comportamiento del tornillo de cabeza botón
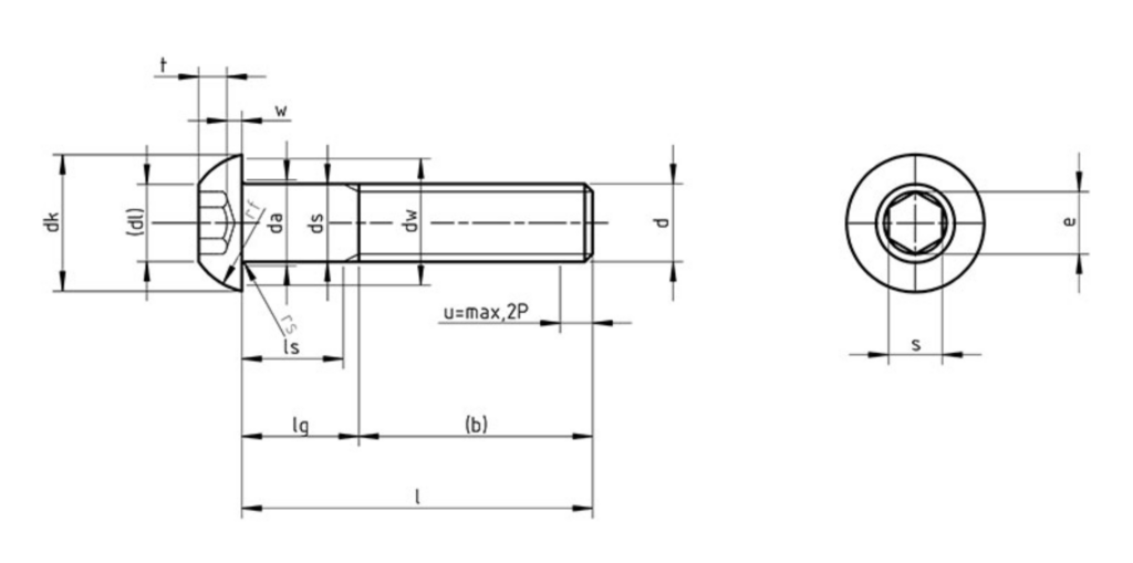
La cabeza semiesférica del tornillo distribuye las cargas de forma más amplia que una cabeza cilíndrica, evitando marcas profundas en superficies sensibles. El hexágono interior permite un apriete seguro en zonas con accesibilidad reducida, manteniendo la facilidad de montaje propia de la tornillería Allen. Al no sobresalir tanto como un tornillo convencional, también reduce interferencias con piezas móviles o elementos que requieran un desplazamiento libre.
Entre las calidades de acero más habituales se encuentran 8.8 y 10.9, además de versiones en acero inoxidable para entornos expuestos a humedad. Según la aplicación, se fabrican con recubrimientos anticorrosión o tratamientos de superficie que mejoran la resistencia al desgaste. Están disponibles en una amplia variedad de dimensiones según la normativa ISO, lo que facilita su integración en diseños mecánicos.



Aplicaciones en industria y mecanizado
Este tornillo se emplea en montajes donde la estética y la seguridad son importantes: carcasas de máquinas, estructuras metálicas ligeras, soportes de precisión, equipos electrónicos industriales y fijaciones internas que requieren una cabeza discreta. Su diseño evita bordes afilados y reduce el riesgo de enganches, algo útil en maquinaria con zonas accesibles para operarios o mantenimiento.
En AREM-CNC incorporamos tornillería normalizada en nuestros procesos de mecanizado CNC y en la gestión de materiales y certificados para asegurar calidad y trazabilidad. Como referencia técnica general, puedes consultar este recurso neutral:
https://en.wikipedia.org/wiki/Fastener


Deja una respuesta