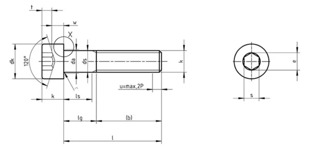
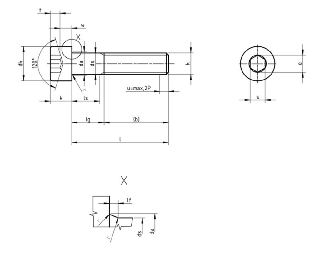
El tornillo ISO 4762 es un tornillo de cabeza cilíndrica con hexágono interior, también conocido como tornillo Allen, y es uno de los elementos de fijación más utilizados en mecanizado, maquinaria industrial y montajes donde el espacio de apriete es reducido. Su geometría permite transmitir un par elevado sin dañar la herramienta y garantiza una inserción segura incluso en alojamientos profundos.
Diseño y propiedades del tornillo de cabeza cilíndrica
Este tornillo se caracteriza por una cabeza estrecha y alargada que facilita su uso en zonas donde no es posible emplear llaves externas. El hexágono interior ofrece una transmisión eficiente del par mediante llaves Allen o herramientas de apriete controlado. A diferencia de los tornillos de cabeza hexagonal, este modelo permite un acabado más compacto y estético, siendo habitual en maquinaria de precisión, componentes mecanizados y dispositivos con alojamientos embutidos.
Las clases de resistencia más frecuentes incluyen 8.8, 10.9 y 12.9, aunque también existe en acero inoxidable para ambientes corrosivos. Los recubrimientos pueden variar desde tratamientos fosfatados hasta versiones pavonadas o galvanizadas, según la necesidad de cada aplicación.




Aplicación en la industria del mecanizado
Los tornillos ISO 4762 son habituales en conjuntos mecánicos donde la accesibilidad es limitada: soportes de máquinas, sistemas de guiado lineal, uniones de placas mecanizadas, ensamblajes estructurales compactos y fijaciones internas. Además, su diseño facilita que la cabeza quede embutida o enrasada, reduciendo interferencias con otras piezas móviles.
En AREM-CNC utilizamos elementos de fijación normalizados para garantizar repetibilidad y calidad en nuestros procesos de mecanizado CNC y en la gestión de materiales y certificados. Para información general sobre tornillería, puedes consultar este recurso técnico neutral:
https://en.wikipedia.org/wiki/Fastener


Deja una respuesta